© 2018 CMEC AQUA Valve Manufacturing Co.,LTD. All rights reserved. Site Map Link Designed by iwonder.cn

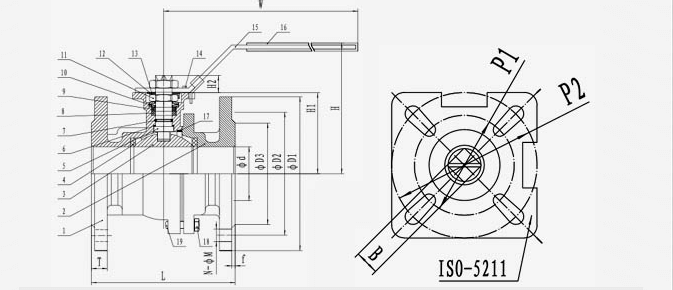
2PC JIS Flanged Ball Valve With ISO5211 Mounting Pad
Material:304, 316, CF8, CF8M, WCB
Model:2PC, ISO5211 mounting pad
Connetion:Flange
Medium:Water, Oil, Gas