© 2018 CMEC AQUA Valve Manufacturing Co.,LTD. All rights reserved. Site Map Link Designed by iwonder.cn

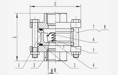
Spring Check Valve
Material:304, 316, 1.4308, 1.4408, CF8, CF8M
Model:Other
Connetion:Thread
Medium:Water, Oil, Gas

